В сложной архитектуре современной вертикальной транспортировки безопасность является не просто особенностью, а строгим инженерным требованием. Маслян...
ЧИТАТЬ ДАЛЕЕ











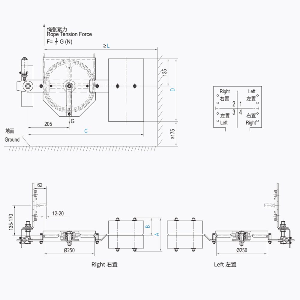
Натяжное устройство лифта LTD02 имеет конструкцию поворотного рычага и обеспечивает автоматическое натяжение троса через блок противовеса. Его преимуществами являются компактная конструкция, простота эксплуатации и удобство обслуживания. Натяжитель поворотного рычага LTD02 также отличается хорошей адаптивностью и регулируемостью. Его противовес можно регулировать в соответствии с конкретными потребностями лифта, а также для соответствия различным типам направляющих и спецификациям тросов.
| № | Шкив Диаметр (мм) |
Веревка Диаметр (мм) |
А (мм) |
Б (мм) |
С (мм) |
Д (мм) |
Л (мм) |
Бlock Материалы |
Веревка Tension Force F (N) |
| А01 | 200 | φ6 | 155 | 79 | 435 | 300 | ≥450 | СM | 175 |
| А02 | 200 | φ6 | 95 | 54 | 420 | 300 | ≥440 | СП | 175 |
| А03 | 200 | φ6 | 145 | 74 | 485 | 300 | ≥485 | СM | 225 |
| А04 | 200 | φ6 | 85 | 49 | 475 | 300 | ≥475 | СП | 225 |
| А05 | 200 | φ6 | 165 | 84 | 485 | 310 | ≥485 | СM | 300 |
| А06 | 200 | φ6 | 95 | 54 | 485 | 310 | ≥485 | СП | 300 |
| А07 | 200 | φ6 | 155 | 79 | 400 | 310 | ≥410 | СП | 300 |
| № | Шкив Диаметр (мм) |
Веревка Диаметр (мм) |
А (мм) |
Б (мм) |
С (мм) |
Д (мм) |
Л (мм) |
Бlock Материалы |
Веревка Tension Force F (N) |
| Б01 | 240 | φ8 | 155 | 79 | 430 | 300 | ≥490 | СM | 175 |
| Б02 | 240 | φ8 | 95 | 54 | 420 | 300 | ≥480 | СП | 175 |
| Б03 | 240 | φ8 | 145 | 74 | 485 | 300 | ≥520 | СM | 225 |
| Б04 | 240 | φ8 | 85 | 49 | 475 | 300 | ≥510 | СП | 225 |
| Б05 | 240 | φ8 | 165 | 84 | 485 | 310 | ≥520 | СM | 300 |
| Б06 | 240 | φ8 | 95 | 54 | 485 | 310 | ≥520 | СП | 300 |
| № | Шкив Диаметр (мм) |
Веревка Диаметр (мм) |
А (мм) |
Б (мм) |
С (мм) |
Д (мм) |
Л (мм) |
Бlock Материалы |
Веревка Tension Force F (N) |
| С01 | 250 | φ8 | 165 | 88 | 550 | 310 | ≥560 | СM | 300 |
| С02 | 250 | φ8 | 95 | 53 | 550 | 310 | ≥560 | СП | 300 |
| С03 | 250 | φ8 | 155 | 83 | 465 | 300 | ≥480 | СП | 300 |
| № | Шкив Диаметр (мм) |
Веревка Диаметр (мм) |
А (мм) |
Б (мм) |
С (мм) |
Д (мм) |
Л (мм) |
Бlock Материалы |
Веревка Tension Force F (N) |
| Д01 | 200 | φ6 | 155 | 79 | 430 | 300 | ≥460 | СM | 175 |
| Д02 | 200 | φ6 | 95 | 54 | 420 | 300 | ≥450 | СП | 175 |
| Д03 | 200 | φ6 | 145 | 74 | 485 | 300 | ≥485 | СM | 225 |
| Д04 | 200 | φ6 | 85 | 49 | 475 | 300 | ≥475 | СП | 225 |
| Д05 | 200 | φ6 | 165 | 84 | 485 | 310 | ≥485 | СM | 300 |
| Д06 | 200 | φ6 | 95 | 54 | 485 | 310 | ≥485 | СП | 300 |
| № | Шкив Диаметр (мм) |
Веревка Диаметр (мм) |
А (мм) |
Б (мм) |
С (мм) |
Д (мм) |
Л (мм) |
Бlock Материалы |
Веревка Tension Force F (N) |
| Е01 | 240 | φ8 | 155 | 79 | 430 | 300 | ≥460 | СM | 175 |
| Е02 | 240 | φ8 | 95 | 54 | 420 | 300 | ≥450 | СП | 175 |
| Е03 | 240 | φ8 | 145 | 74 | 485 | 300 | ≥485 | СM | 225 |
| Е04 | 240 | φ8 | 85 | 49 | 475 | 300 | ≥475 | СП | 225 |
| Е05 | 240 | φ8 | 165 | 84 | 485 | 310 | ≥485 | СM | 300 |
| Е06 | 240 | φ8 | 95 | 54 | 485 | 310 | ≥485 | СП | 300 |
| № | Шкив Диаметр (мм) |
Веревка Диаметр (мм) |
А (мм) |
Б (мм) |
С (мм) |
Д (мм) |
Л (мм) |
Бlock Материалы |
Веревка Tension Force F (N) |
| Ф01 | 250 | φ8 | 165 | 88 | 575 | 310 | ≥560 | СM | 300 |
| Ф02 | 250 | φ8 | 95 | 53 | 575 | 310 | ≥560 | СП | 300 |
В сложной архитектуре современной вертикальной транспортировки безопасность является не просто особенностью, а строгим инженерным требованием. Маслян...
ЧИТАТЬ ДАЛЕЕПонимание систем безопасности в лифтах Защитное снаряжение Лифт Системы являются одними из наиболее важных компонентов механической безопасно...
ЧИТАТЬ ДАЛЕЕВ индустрии вертикальных перевозок безопасность остается первостепенной задачей для инженеров, архитекторов и управляющих недвижимостью. Среди множества комп...
ЧИТАТЬ ДАЛЕЕЦелостность любой вертикальной транспортной системы зависит от молчаливого, не подлежащего обсуждению договора безопасности. Эта безопасность — не абстрактна...
ЧИТАТЬ ДАЛЕЕ