Два десятилетия отраслевого опыта с акцентом на инновационные технологии безопасности лифтов К...
ЧИТАТЬ ДАЛЕЕ
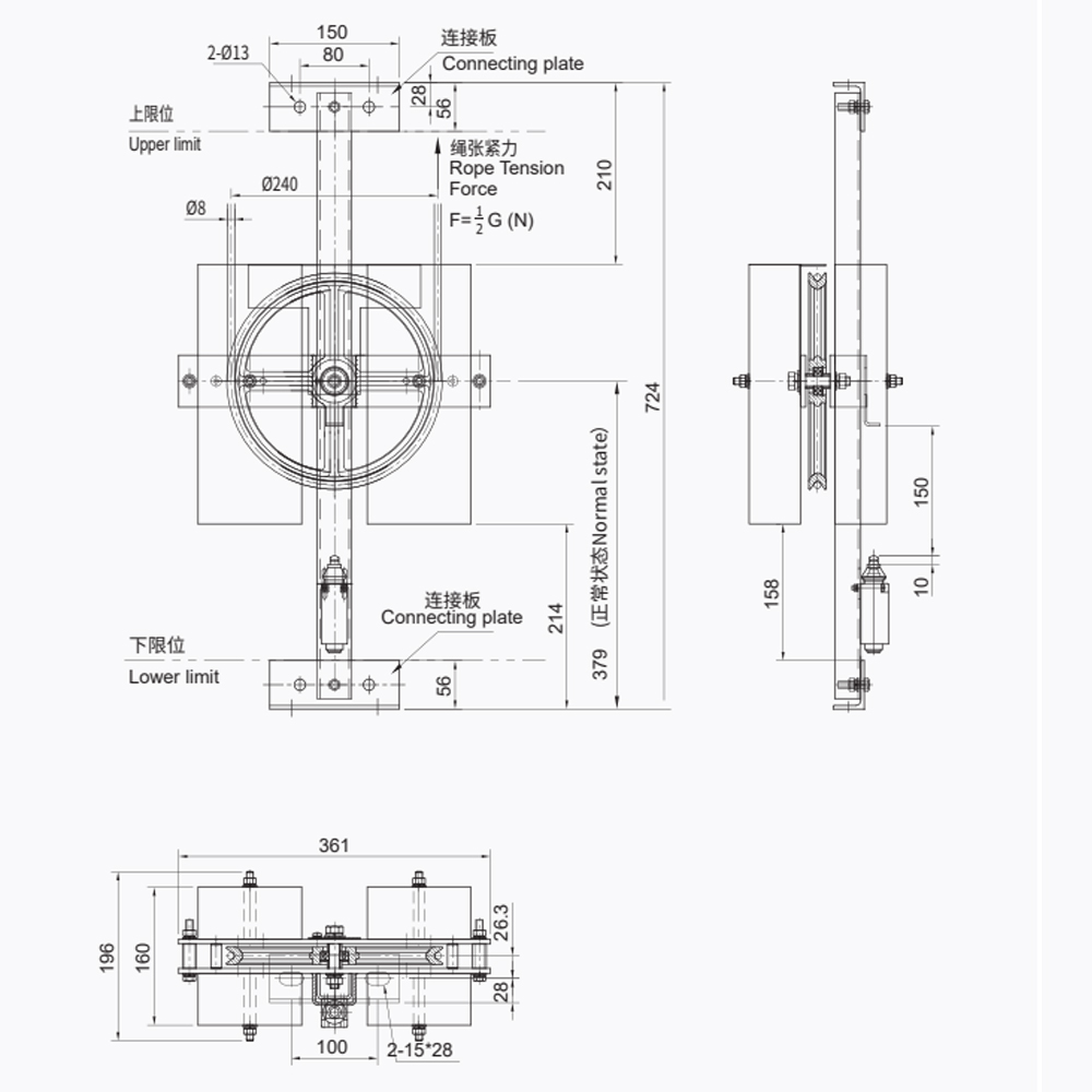
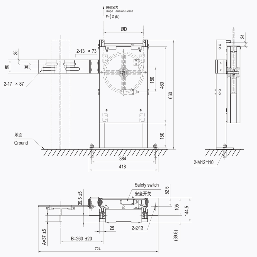
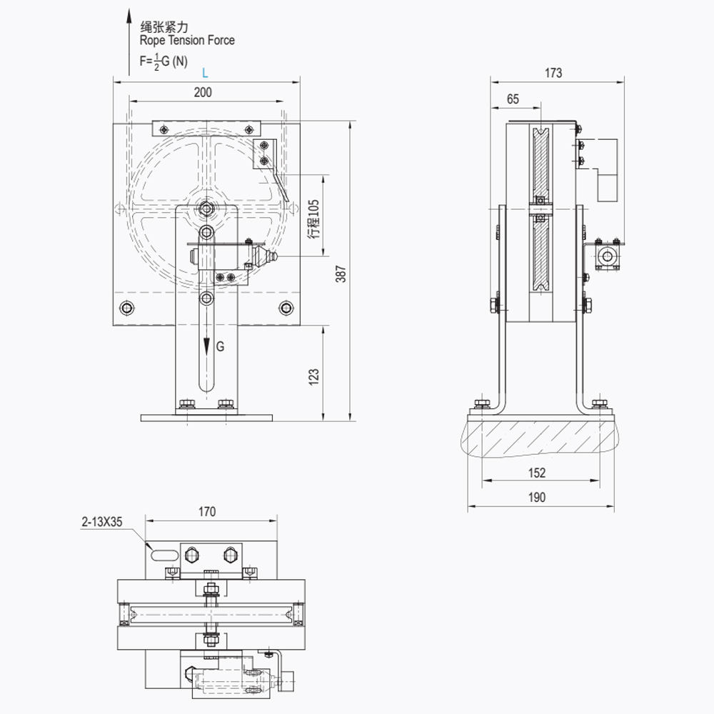
Вертикальное натяжное устройство представляет собой механическое устройство, используемое для поддержания постоянного натяжения каната ограничителя скорости или компенсационной цепи в лифтовой системе. Оно использует метод вертикального гравитационного натяжения направлением вниз.
Два десятилетия отраслевого опыта с акцентом на инновационные технологии безопасности лифтов К...
ЧИТАТЬ ДАЛЕЕВеревочный тормоз лифта Системы представляют собой критически важные механизмы безоп...
ЧИТАТЬ ДАЛЕЕЛифт с предохранительным механизмом Системы являются последней линией механической з...
ЧИТАТЬ ДАЛЕЕПонимание основной технологии Прецизионный регулятор превышения скорости являет...
ЧИТАТЬ ДАЛЕЕВ отрасли вертикальной транспортировки надежность компоненты безопасности лифта не ...
ЧИТАТЬ ДАЛЕЕВ сложной архитектуре современной вертикальной транспортировки безопасность является не просто ос...
ЧИТАТЬ ДАЛЕЕ